fbId

商品詳細介紹

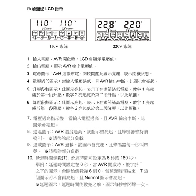
-內建延遲時間設定裝置,可手動設定為6秒/180秒保護設備。
-微電腦處理器控制,提升產品之穩定度與可靠度。
-內建升壓及降壓功能,提供穩定的輸出電壓。
-具有防雷擊、電源突波保護功能,確保安全。
-LCD數位化液晶螢幕顯示穩壓器各種狀態。
-內建溫控保險絲,提供過熱保護。
-提供過載及電源短路保護功能。

 

體驗說明

不可體驗

使用方法說明

請依說明書操作,如無附說明書,可與我們聯繫協助

注意事項

產品型錄規格如有更改,恕不另行通知
退貨請留意商品須回復原狀並且保持完整包裝,切勿缺漏任何配件或損毀原外盒。