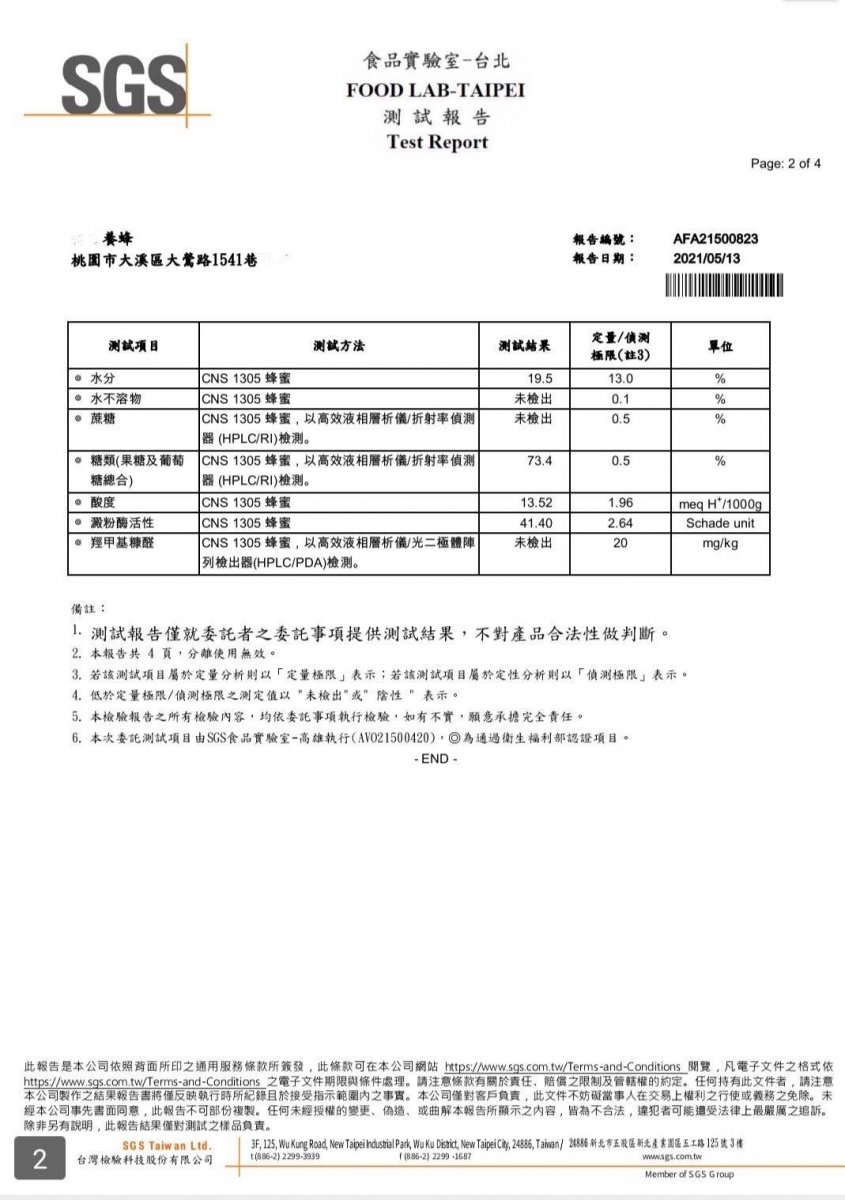
商品詳細介紹
・堅持特選環境乾淨、無農藥汙染的優良龍眼產地
・為您從產品的源頭進行把關
・SGS嚴格檢驗均嚴格管理,品質極為優異





使用方法說明
無
注意事項
・本商品由廠商出貨不受 24h 到貨限制
・產品顏色可能會因網頁呈現與拍攝關係產生色差,圖片僅供參考, 商品依實際供貨樣式為準。
・產品顏色可能會因網頁呈現與拍攝關係產生色差,圖片僅供參考, 商品依實際供貨樣式為準。