商品詳細介紹
MOLA摩拉兒童(8-12)運動太陽眼鏡 黑色 頂級防護鏡片 UV400 跑步/自行車/棒球 Tour-blb
適合約8-12歲兒童青少年或是小臉男女
框寬: 14.4cm 高度4cm 框長:16.8cm
重量超輕 只有25g
框色: 亮黑 片色: 炫茶
炫茶鏡片-由深茶鏡片加上淺銀色電鍍反射鏡片 可以抵擋強光 保護眼睛 有效減輕眼鏡的疲勞感及張力
*適合一般臉型 男女都可戴
*重量超輕 只有25g
MOLA頂級防爆安全鏡片
*特級防刮及耐撞擊 鏡片耐刮強度為他牌鏡片的2倍
*100%抗紫外線(UV400)
*高清晰度
*防潑水+防塵 +無指紋鍍膜 可以長時間使用
*柔軟舒適橡膠鼻墊、鏡腳設計:吸汗防滑、減輕您鼻樑的負擔 運動不鬆脫
經濟部商檢局產品認證: D63788
台灣製造 一年保固
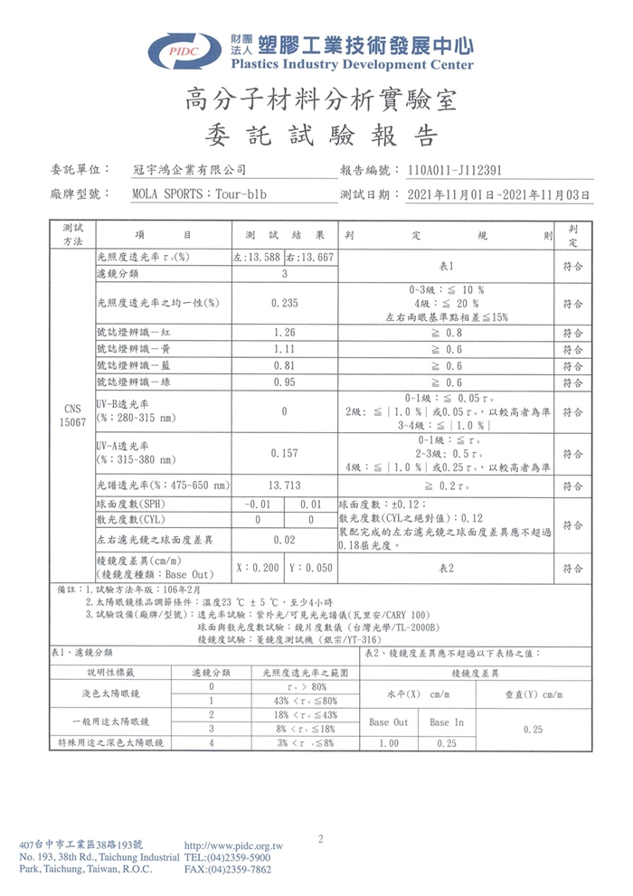
MOLA SPORTS 摩拉運動太陽眼鏡 符合台灣CNS15067, 歐盟ISO 12312-1:2013及美國標準
面對日漸嚴重的紫外線,無論外出、從事休閒活動或運動,皆需要一副專業級的太陽眼鏡,保護您的靈魂之窗免於紫外線的傷害。mola sports 摩拉運動太陽眼鏡,不管是鏡片的光學測試、鏡架安全結構設計,全都符合國家級安全檢驗,給您眼睛最專業的保護!不僅是運動,連一般外出都非常適合配戴!










使用方法說明
..
注意事項
..